Historische Traktoren

Traktorschrauber Schwabenheim

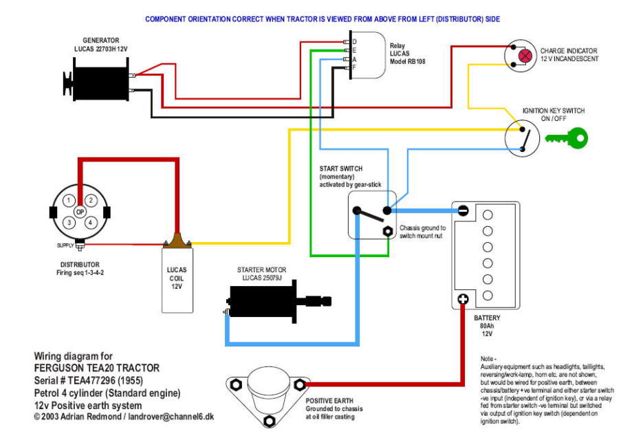
Schaltung Ferguson TEA20 Benziner

Ferguson TE Schaltbild
Grundschaltung Ferguson TEA20 Benziner

Bei diesen englischen Traktoren liegt der +Pole auf Masse (Gehäuse)