Historische Traktoren

Traktorschrauber Schwabenheim

Technik rund um die "oldtimer"

Schaltkasten M.A.N 4R2
Schaltkasten M.A.N 4R2

Ein spezieller Schaltkasten ist bei diesem M♦A♦N 4R2 der zentrale Punkt bei der Verlegung neuer Kabel

Da ist neben einem Schaltplan auch eine Skizze dieses Schaltkastens eine große Hilfe


Bilder aus der Werkstatt

In der Werkstatt fallen immer wieder besondere Arbeiten an.

  • Anhängersteckdose“Anhängersteckdose
    Prüfstecker”
  • Luftfilter“Luftfilter
    retten“
  • Gewindereparatur“Gewinde
    Reparatur”
  • Nummernschild“Nummernschild-
    halter”
  • Entlüftungsschraube“Entlüftungsschraube
    herstellen”
  • Kabelbaum“Neue Kabel
    braucht der Fendt”



Heute bekommt man zwar sehr viele Ersatzteile für die alten Traktoren, aber es kann doch sinnvoll sein, Teile wieder aufzuarbeiten

 

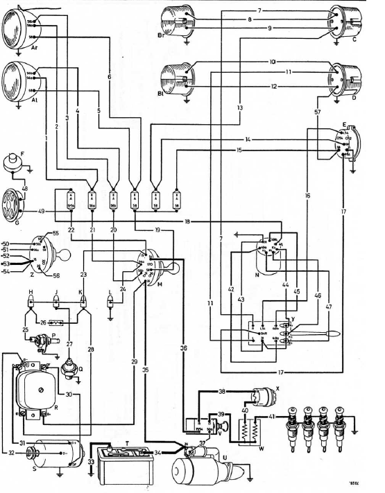
Allgemeiner Schaltplan für Traktoren

Allgemeiner Schaltplan für Traktoren
Allgemeiner Schaltplan für Traktoren

Bei alten Traktoren ist die elektrische Schaltung immer ähnlich. Schwieriger ist es die Kabel zu verlegen, denn es gab bei den meisten Traktoren keine Blinker oder gar eine Warnblinkanlage die aber bei der Zulassung vorhanden sein müssen


Torpedosicherung

Torpedosicherung

Die alten Traktoren haben noch diese Torpedosicherungen

Was bedeutet die Fabe?


Scheinwerfer mit BILUX Lampe

Biluxstecker

Auch das ist eine wichtige Frage beim verlegen neuer Kabel